Fisher CZ-5 / Fisher CZ-6

Практичні конструкції металодетекторів, що побудовані за принципом індуктивного балансу (IB).
Відповісти
Аватар користувача
radioman
Site Admin
Повідомлень: 136
З нами з: 28 вересня 2020, 12:01
Звідки: Тернопіль
Дякував (ла): 8 разів
Подякували: 6 разів
Контактна інформація:

Fisher CZ-5 / Fisher CZ-6

Повідомлення radioman »

IB металошукач Fisher CZ-5

Тип схеми металодетектора: VLF+
Два режими роботи: грунтовий (NORMAL) та при підвищеній мінералізації (SALT)
Патентована технологія обробки сигналу Fourier Domain для роботи в солоній воді.
Робоча частота 5 та 15 кГц
Дуплекс; генератор працює на частоті 5 кГц та 3-й гармоніці - 15 кГц
Дискримінатор: тональна ідентифікація (3 тони)
Налаштування чутливості
Ручне балансування грунту
Пінпойнт
Коаксильна котушка 10,5". Орієнтовні дані котушки:
- передаюча=0.95мГ, опір = 3.3 Ом
- приймаюча=6.95мГ, опір = 32 Ом.

Схема металошукача Fisher CZ-5:
Схема металошукача Fisher CZ-5
Схема металошукача Fisher CZ-5
NB! В схемі неправильно позначені канали 5 і 15 кГц; також можуть бути інші помилки !

Передаюча частина металошукача Fisher CZ-5, зроблена на цифрових мікросхемах, генерує меандр з частотою 5 кГц котрий за допомогою двотактного напівмоста передається на передаючу котушку; у зв'язку із "збудженням" меандром, відсутністю резонансу та наявності двотактного вихідного каскаду у ній виникають коливання з частотою 5 кГц та вираженою 3-ю гармонікою - 15 кГц. Також тут формуються імпульси для управління ключами синхронних детекторів.
*Задаючий генератор працює на частоті 60 кГц; шляхом поділу цієї частоти на 4 отримується 15 кГц з наступним поділом котрої на 3 для отримання 5 кГц.
Вхідний каскад зроблений на "розсипусі"; після попереднього підсилення, прийнятий сигнал розділяється двома фільтрами:
В одному каналі виділяється перша гармоніка з частотою 5кГц і подавляється режекторним фільтром 3-я гармоніка 15 кГц:
АЧХ та ФЧХ каналу 5кГц металошукача Fisher CZ-5
АЧХ та ФЧХ каналу 5кГц металошукача Fisher CZ-5
В іншому виділяється сигнал з частотою 15 кГц:
АЧХ та ФЧХ каналу 15кГц металошукача Fisher CZ-5
АЧХ та ФЧХ каналу 15кГц металошукача Fisher CZ-5
На виході канальних фільтрів отримаємо "прифазні" сигнали частотою 5кГц та 15кГц:
Синали 5кГц та 15кГц металошукача Fisher CZ-5
Синали 5кГц та 15кГц металошукача Fisher CZ-5
Після синхронного детектування протифазні сигнали "Х" та "У" каналів 5кГц та 15 кГц сумуються попарно (на схемі режим NORMAL):
Синали "Х" та "У" (режим NORMAL) металошукача Fisher CZ-5
Синали "Х" та "У" (режим NORMAL) металошукача Fisher CZ-5
з формуванням каналів "Х" та "У" для подальшого опрацювання.
Аватар користувача
radioman
Site Admin
Повідомлень: 136
З нами з: 28 вересня 2020, 12:01
Звідки: Тернопіль
Дякував (ла): 8 разів
Подякували: 6 разів
Контактна інформація:

Re: Fisher CZ-5 / Fisher CZ-6

Повідомлення radioman »

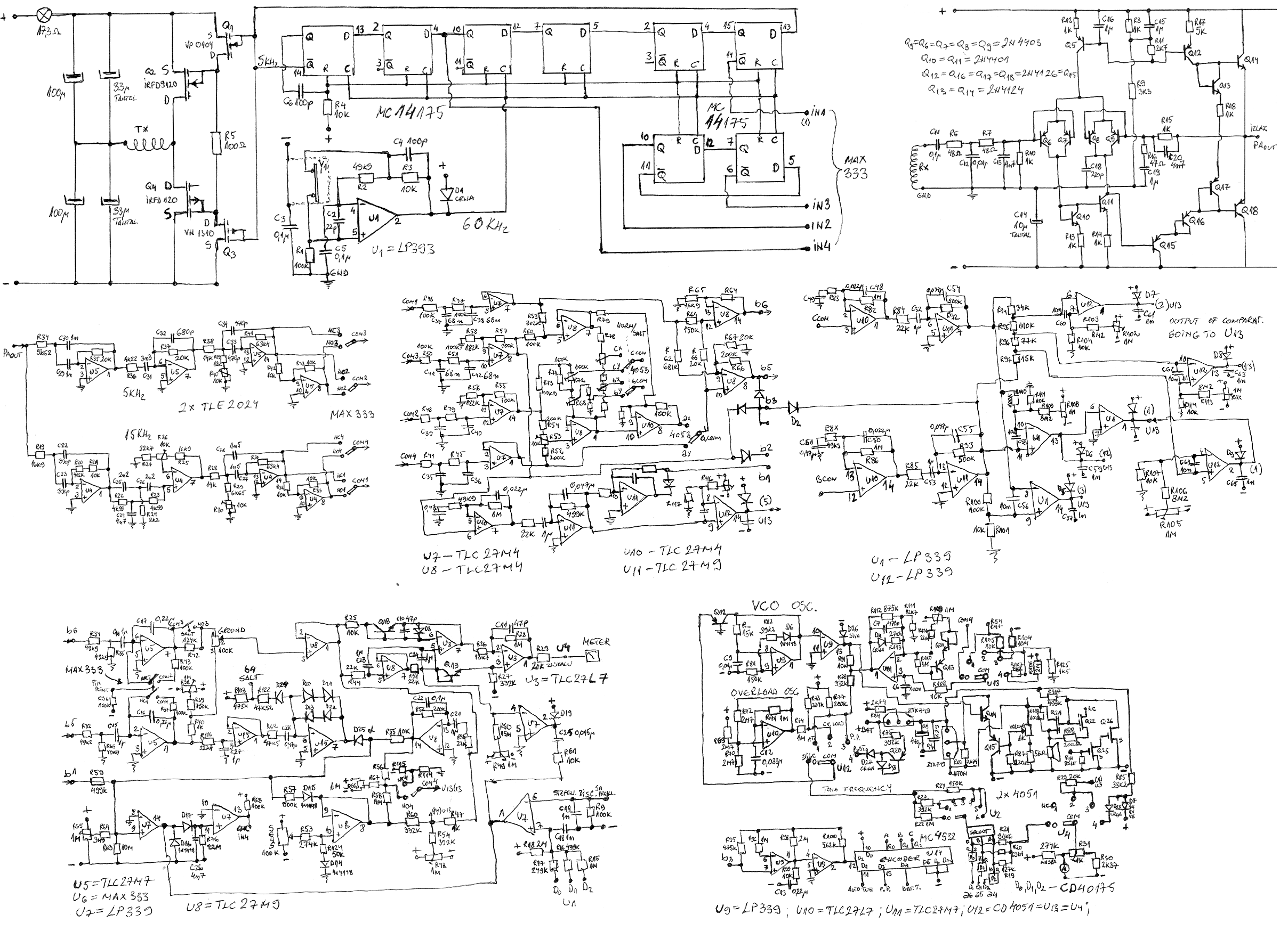
Схема металошукача Fisher CZ-6:
Вхідна частина:
Схема металошукача Fisher CZ-6 (1 частина)
Схема металошукача Fisher CZ-6 (1 частина)
Опрацювання сигналу:
Схема металошукача Fisher CZ-6 (2 частина)
Схема металошукача Fisher CZ-6 (2 частина)
Аватар користувача
radioman
Site Admin
Повідомлень: 136
З нами з: 28 вересня 2020, 12:01
Звідки: Тернопіль
Дякував (ла): 8 разів
Подякували: 6 разів
Контактна інформація:

Re: Fisher CZ-5 / Fisher CZ-6

Повідомлення radioman »

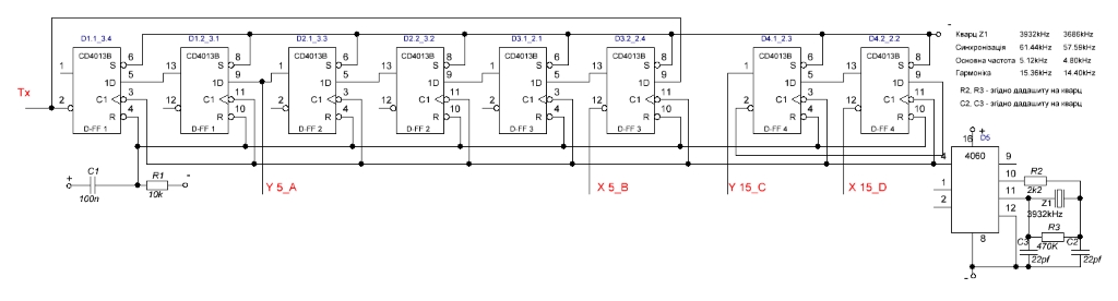
В схемі синхронізації використано тригери CD40175, але зараз знайти їх дуже важко; тому переробив схему з використанням CD4013. У моделі в LTspice XVII такий варіант не працював; прийшлось змінити підключення резистора і конденсатора до "шини" R (схема "скидання" при включенні).
Такі самі проблеми виникають і з кварцевим резонатором на 60 кГц; тому задаючий генератор реалізував на HEF4060 з використанням кварцевого резонатора на 3932 кГц (основна частота 5.12 кГц) або 3686 кГц (основна частота 4.80 кГц).
Наступна схема працює коректно як в моделі, так і у "залізі":
Формування синхроімпульсів металошукача Fisher CZ-5 / Fisher CZ-6
Формування синхроімпульсів металошукача Fisher CZ-5 / Fisher CZ-6
і формує синхроімпульси для синхронних детекторів каналів 5кГц:
Синхроімпульси каналу 5кГц металошукача Fisher CZ-5 / Fisher CZ-6
Синхроімпульси каналу 5кГц металошукача Fisher CZ-5 / Fisher CZ-6
та 15 кГц:
Синхроімпульси каналу 15кГц металошукача Fisher CZ-5 / Fisher CZ-6
Синхроімпульси каналу 15кГц металошукача Fisher CZ-5 / Fisher CZ-6
Вся схема (разом з модернізованим вихідним каскадом "міст") розмістилась на двосторонній платі 100 на 20 мм. (можна зробити і односторонню з "перемичками"):
PCB Tx металошукача Fisher CZ-5 / Fisher CZ-6
PCB Tx металошукача Fisher CZ-5 / Fisher CZ-6
Відповісти

Хто зараз онлайн

Зараз переглядають цей форум: Немає зареєстрованих користувачів і 1 гість