При реінжирингу Fisher CZ-5 зіткнувся з проблемою заміни баретера на сучасний аналог.
Баре́тер (англ. barretter) — пристрій, який автоматично підтримує силу струму при коливанні напруги. (Іншими словами - джерело стабільного струму).
Пошукавши на різних форумах, побачив що дане питання "не вивчене". Багато хто пропонує замінити баретер лампочкою, але такий варіант є неправильним: вольт-амперна характеристика баретера має горизонтальну ділянку
а у вольт-амперної характеристики лампочки її нема
Замінити баретер можна схемою на LM317:
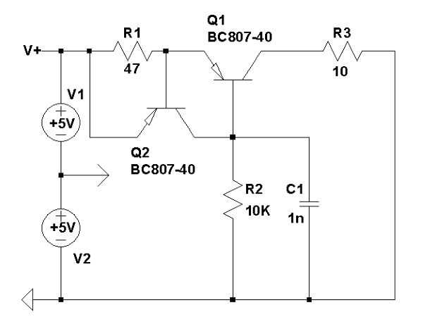
Але для неї мінімальний струм стабілізації становить 10 мА., що для моєї схеми на "межі фолу"; очікувати на стабільну роботу не варто. У потрібному мені діапазоні стабільним джерелом струму є проста схема лише на 2-х транзисторах:
Резистор R1 є датчиком струму, ним виставляється необхідний струм стабілізації (також він залежить від номіналу R2). R3 - навантаження.
Принцип роботи цієї схеми простий: при збільшенні струму навантаження пропорційно зростає падіння напруги через резистор R1 (датчик струму). При досягненні рівня падіння цієї напруги ≈ 0, 6 В транзистор Q2 починає відкриватися, зменшуючи значення Ube транзистора Q1. Він починає закриватися, відповідно, струм через навантаження зменшується. Вихідний струм розраховується за простою формулою Iн≈0.6/ R1. Температурна компенсація відсутня, зміна вихідного струму становить ≈ 0, 3% на 1 ° С.
PS. В приєднаному архіві модель в LTspice XVII стабільного джерела струму на транзисторах та даташит на LM317.
Баретер (джерело стабільного струму)
Хто зараз онлайн
Зараз переглядають цей форум: Немає зареєстрованих користувачів і 0 гостей