ЛОРТА 50У-202С

Схеми, налаштування, ремонт, модернізація підсилювачів низької частоти
Відповісти
Аватар користувача
radioman
Site Admin
Повідомлень: 136
З нами з: 28 вересня 2020, 12:01
Звідки: Тернопіль
Дякував (ла): 8 разів
Подякували: 6 разів
Контактна інформація:

ЛОРТА 50У-202С

Повідомлення radioman »

На мою думку, ЛОРТА 50У-202С найбільш "вдячний" для апгрейду підсилювач:

Діапазон відтворюваних частот: 20 - 25000 Гц
Чутливість по входу "ЗС": 2 мВ
Чутливість по входу "УМ": 1000 мВ
Чутливість по входу "МФ" і "ТЮНЕР": 200 мВ
Нерівномірність АЧХ в діапазоні 20-25000 Гц відносно 1 кГц: ± 0,7 дБ
Опір АС: 4 Ом
Вихідна потужність (на канал):
номінальна: 25 Вт
довгострокова: 75 Вт
короткочасна: 100 Вт
Коефіцієнт гармонік: 0,07%
Відношення сигнал / зважений шум на входах:
лінійних: 83 дБ
вінілкоректора: 72 дБ
Діапазон регулювання:
тембр НЧ: ± 11 дБ
тембр ВЧ: ± 11 дБ
Тонкомпенсація при рівні -40 дБ на частоті 1000 Гц: +10 дБ
Споживана потужність від мережі: 190 Вт
Розмір підсилювача (ШхВхГ): 387х88х390 мм
Вага підсилювача: 8,5 кг

При його модернізації варто пам'ятати принцип "розумної достатності": якщо у Вас АС коштують менше 300 "вічнозелених", а з вимірювальних приладів лише мультиметр - буде достатнім лише провести заміну всіх електролітичних конденсаторів (ємність конденсаторів фільтру С1-С8 бажано, і достотньо, збільшити до 4700 мкФ), зашунтувати всі "дрібні" електроліти плівковими на 0,033-0,047 мкФ; виставити режими (після 15-хвилинного прогріву) - резистором R9 нуль на виході попереднього підсилювача, R5 - нуль на виході підсилювача потужності, R21 - струм спокою вихідних транзисторів на рівні 50-100 ма. Для боротьби з мультиплікативним шумом бажано зашунтувати діоди у мостах керамічними конденсаторами ємністю декілька тисяч пікофарад. Якщо Вам "не поталанило" і конденсатори ємністю 470 пф і 1200 пф керамічні - прийдеться пошукати, як мінімум, слюдяні.
При наявності у мультиметрі можливості вимірювати коефіцієнт підсилення транзисторів - замінити VT2, VT4 на підібрані в пари BC556B.
При більших фінансових можливостях замінити всі електролітичні конденсатори ємністю 5 мкФ на WIMA MKS2 4,7 мкФ; керамічні конденсатори С2 і С6 на WIMA FKP2.
Вихідну пару КТ818 / КТ819 варто замінити на КТ864А / КТ865А; передвихідні КТ816 / КТ817 на КТ850А / КТ851А (а ось чи варто :?: ) - така модифікація випускалась серійно:
Амфітон-Лорта
Амфітон-Лорта
Без наявності осциллографа та хорошого генератора всі інші маніпуляції не мають сенсу, а то і шкідливі.

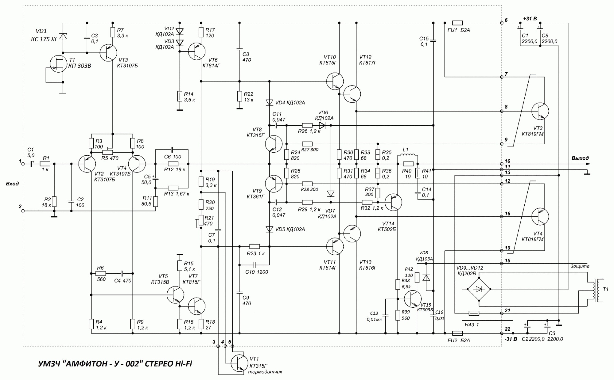
PS. Схеми підсилювачів ЛОРТА 50У-202С, АМФІТОН 50У-202С (АМФИТОН 50У-202С) та АМФІТОН 25У-002С (АМФИТОН 25У-002) дуже подібні. З невеликим застереженням, дані рекомендації можна використовувати і до них.
PPS. В архіві схема інтегрального підсилювача ЛОРТА 50У-202С.
Вкладення
lorta.7z
Cхема підсилювача ЛОРТА 50У-202С
(4.52 МіБ) Завантажено 2427 разів
Аватар користувача
radioman
Site Admin
Повідомлень: 136
З нами з: 28 вересня 2020, 12:01
Звідки: Тернопіль
Дякував (ла): 8 разів
Подякували: 6 разів
Контактна інформація:

Re: ЛОРТА 50У-202С

Повідомлення radioman »

Інформація для роздумів (с)
В попередньому пості я рекомендував виставити струм спокою (струм емітера) вихідних транзисторів на рівні 50-100 ма. Це не "самоціль", а пов'язано із "кривою" характеристикою залежності статичного коефіцієнта передачі струму від струму емітера. У використаних у вихідній парі підсилювача
ЛОРТА 50У-202С (АМФІТОН 50У-202С (АМФИТОН 50У-202С), АМФІТОН 25У-002С (АМФИТОН 25У-002)) транзисторах КТ818-КТ819 вона надзвичайно нелінійна:
Залежність статичного коефіцієнта передачі струму від струму емітера транзистора КТ818
Залежність статичного коефіцієнта передачі струму від струму емітера транзистора КТ818
Залежність статичного коефіцієнта передачі струму від струму емітера транзистора КТ819
Залежність статичного коефіцієнта передачі струму від струму емітера транзистора КТ819
Тому, втановивши "початковий" струм емітера на рівні 100 ма, ми "вийдемо" на більш лінійний участок характеристики. Рекомендована заміна вказаних транзисторів на пару КТ864А / КТ865А покращить достовірність відтворення у зв'язку із вищою граничною робочою частотою (15 МГц проти 3 МГц) та більш лінійною залежністю статичного коефіцієнта передачі струму від струму емітера:
Залежність статичного коефіцієнта передачі струму від струму емітера транзистора КТ864
Залежність статичного коефіцієнта передачі струму від струму емітера транзистора КТ864
Залежність статичного коефіцієнта передачі струму від струму емітера транзистора КТ865
Залежність статичного коефіцієнта передачі струму від струму емітера транзистора КТ865
Такий варіант у мене працює зараз. Кращий результат можна отримати із заміною на MJ15023, MJ15025 / MJ15022, MJ15024; але оригінальні знайти практично не реально, а серед "китайських клонів" дуже багато з невідповідними характеристиками.

Заміна передвихідної пари КТ816 / КТ817 на КТ850А / КТ851А, хоча така модифікація випускалась серійно, викликає сумніви. Звичайно, у КТ816 / КТ817 дуже "крива" характеристика залежності статичного коефіцієнта передачі струму від струму емітера:
Залежність статичного коефіцієнта передачі струму від струму емітера транзистора КТ817
Залежність статичного коефіцієнта передачі струму від струму емітера транзистора КТ817
але у рекомендованої пари КТ850А / КТ851А лінійний участок починається із струму емітера десь 50 ма (що значно вище, ніж у даній схемі):
Залежність статичного коефіцієнта передачі струму від струму емітера транзистора КТ850
Залежність статичного коефіцієнта передачі струму від струму емітера транзистора КТ850
Залежність статичного коефіцієнта передачі струму від струму емітера транзистора КТ851
Залежність статичного коефіцієнта передачі струму від струму емітера транзистора КТ851
хоча дана залежність більш лінійна.

Пару КТ814 / КТ815 варто замінити на лінійні MJE243 / MJE253 (такий варіан працює в мене):
Залежність статичного коефіцієнта передачі струму від струму емітера транзисторів MJE243 / MJE253
Залежність статичного коефіцієнта передачі струму від струму емітера транзисторів MJE243 / MJE253
але оригінальні дуже важко, хоча і реально, купити.
Аватар користувача
radioman
Site Admin
Повідомлень: 136
З нами з: 28 вересня 2020, 12:01
Звідки: Тернопіль
Дякував (ла): 8 разів
Подякували: 6 разів
Контактна інформація:

Re: ЛОРТА 50У-202С

Повідомлення radioman »

Ще один варіант схеми - з польовим транзистором в джерелі струму дифкаскаду ("Амфитон У-002" cтерео Hi-Fi):

Схема підсилювача потужності "Амфитон У-002" cтерео Hi-Fi:
"Амфитон У-002" cтерео Hi-Fi (схема підсилювача потужності)
"Амфитон У-002" cтерео Hi-Fi (схема підсилювача потужності)
Друкована плата підсилювача потужності "Амфитон У-002" cтерео Hi-Fi:
"Амфитон У-002" cтерео Hi-Fi (плата підсилювача потужності)
"Амфитон У-002" cтерео Hi-Fi (плата підсилювача потужності)

PS. В архіві повна електрична та монтажна схема інтегрального підсилювача "Амфитон У-002" cтерео Hi-Fi.
Амфитон-002-с-hi-fi.zip
"Амфитон У-002" cтерео Hi-Fi
(5.36 МіБ) Завантажено 1904 разів
Аватар користувача
radioman
Site Admin
Повідомлень: 136
З нами з: 28 вересня 2020, 12:01
Звідки: Тернопіль
Дякував (ла): 8 разів
Подякували: 6 разів
Контактна інформація:

Re: ЛОРТА 50У-202С

Повідомлення radioman »

Попередній підсилювач "інтегральника" ЛОРТА 50У-202С
Попередній підсилювач Амфітон-002 / ЛОРТА 50У-202С
Попередній підсилювач Амфітон-002 / ЛОРТА 50У-202С
часто критикують у мережі. Але чому так виходить, адже це "скопіпащений" Toshiba SY C15 :
Схема Toshiba SY C15
Схема Toshiba SY C15
У вхідному диференціальному каскаді використані польові транзистори та підключений частотно-залежний від'ємний зворотній зв'язок на інвертуючий вхід цього каскаду його вхідний опір формується лише резистором регулювання гучності. Висока напруга живлення і двотактний вихідний каскад на транзисторах V5, V6 забезпечують високу перевантажувальну здатність та хороші динамічні характеристики. Резистор R11 забезпечує 100% зворотній негативний зв'язок по постійному струму, а R4 компенсує зміщенняя нуля вхідного диференціального каскаду, тому нуль на виході попереднього підсилювача підтримується досить точно і дає змогу не використовувати міжкаскадні конденсатори (впливають на АЧХ та ФЧХ).

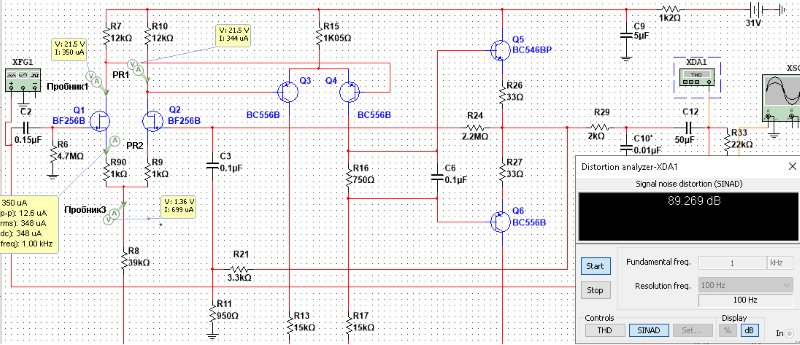
Для того, щоб розставити всі крапки над "ї" зробив модель попереднього підсилювача Амфітон-002 / ЛОРТА 50У-202С в NI Multisim 14.0 і отримав невтішні результати.

Співвідношенняя сигнал / шум (SINAD) становить лише 89 dB
Співвідношення сигнал / шум пп ЛОРТА 50У-202С
Співвідношення сигнал / шум пп ЛОРТА 50У-202С
рівень THD 0,003%
THD пп ЛОРТА 50У-202С
THD пп ЛОРТА 50У-202С
із спадаючим спектром аж до 11 гармоніки (хоча рівень "вищих" гармонік знаходяться нижче "шумової планки"
Спектр гармонік пп ЛОРТА 50У-202С
Спектр гармонік пп ЛОРТА 50У-202С
Амплітудно-частотна характеристика попереднього підсилювача Амфітон-002 / ЛОРТА 50У-202С із відключеним тембрблоком лінійна
АЧХ попереднього підсилювача Амфітон-002 / ЛОРТА 50У-202С
АЧХ попереднього підсилювача Амфітон-002 / ЛОРТА 50У-202С
що не можна сказати про фазово-частотну характеристику, яка зберігає лінійність лише у діапазоні 1-4 кГц
ФЧХ попереднього підсилювача Амфітон-002 / ЛОРТА 50У-202С
ФЧХ попереднього підсилювача Амфітон-002 / ЛОРТА 50У-202С

PS. У мене нема моделей "радянських" транзисторів; транзисторів використаних у Toshiba SY C15, тому у спрощеній моделі (без тембрблоку)попереднього підсилювача Амфітон-002 / ЛОРТА 50У-202С в NI Multisim 14.0 використав доступні для мене на даний час:
25-202_preamp_256_231017.zip
Модель попереднього підсилювача Амфітон-002 / ЛОРТА 50У-202С в NI Multisim 14.0
(228.91 Кіб) Завантажено 994 разів
PPS. При наявності з приладів лише мультиметра, рекомендую виставити тільки нуль на виході резистором R9. Заміна транзисторів вимагає точного підбору резисторів R8 та R15 по рівню THD.

PPPS. Що ми можемо зробити без приладів ?
1. Замінити С12 на якісний неполярний електролітичний конденсатор.
2. Збільшити ємність С2 з 0.15 мкф до 0.47 мкф (поліпропілен)
3. Збільшити ємність С3 з 0.1 мкф до 1.0 мкф (бажано поліпропілен).
В результаті отримаємо досить лінійну фазово-частотну характеристику в діапазоні 30 Гц (0,851 градуса) - 20 кГц (-0,173 градуса):
ФЧХ модернізованого попереднього підсилювача Амфітон-002 / ЛОРТА 50У-202С
ФЧХ модернізованого попереднього підсилювача Амфітон-002 / ЛОРТА 50У-202С
Відповісти

Хто зараз онлайн

Зараз переглядають цей форум: Немає зареєстрованих користувачів і 0 гостей