IB металошукач Fisher F75
Принцип роботи: VLF Induction Balance (індукційний баланс), цифровий - непряме опрацювання.
Режими пошуку: дискримінація, всі метали (динамічний All Metal, статичний All Metal - пошук на максимальній глибині), цілевказування (пінпойнт).
Дискримінація: з подвійною фільтрацією для пошуку в засміченому грунті.
Ідентифікатор типу цілі: на дисплей виводиться VDI-число об'єкта від 0 до 99, діапазон розбитий на 8 груп; додатково відображається індикатор достовірності вимірювання.
Можливість вибору оптимального стилю пошуку (стандартний, ювелірні вироби, фільтрація пробок, розорані поля).
Кількість тонів: від 1 до 4 або наростаючий.
Баланс грунту: автоматичний FASTGRAB ™ і ручний;
Діапазон робочої вологості: 0-90% без конденсації
Діапазон робочих температур: від -20 до +50 ° C
В комплекті еліптична DD-катушка BiAxial 11 (дані з відкритих джерел):
Для 8" Mono
1-2 (Rx) - 12,57 kHz (22H) 43,0 Ом - 7286,97076384813 мкГн - 7,28697076384813 мГн
3-4 (Tx) - 13,35 kHz (220H) 2,8 Ом - 646,03351812748 мкГн - 0,64603351812748 мГн
Для 11" DD
1-2 (Rx) - 12,40 kHz (22H) 39,4 Ом - 7488,14442536906 мкГн - 7,48814442536906 мГн
3-4 (Tx) - 13,10 kHz (220H) 3,0 Ом - 670,926570039477 мкГн - 0,670926570039478 мГн; 17В( р-р), 150мА
2-3 резистор 23 Mom
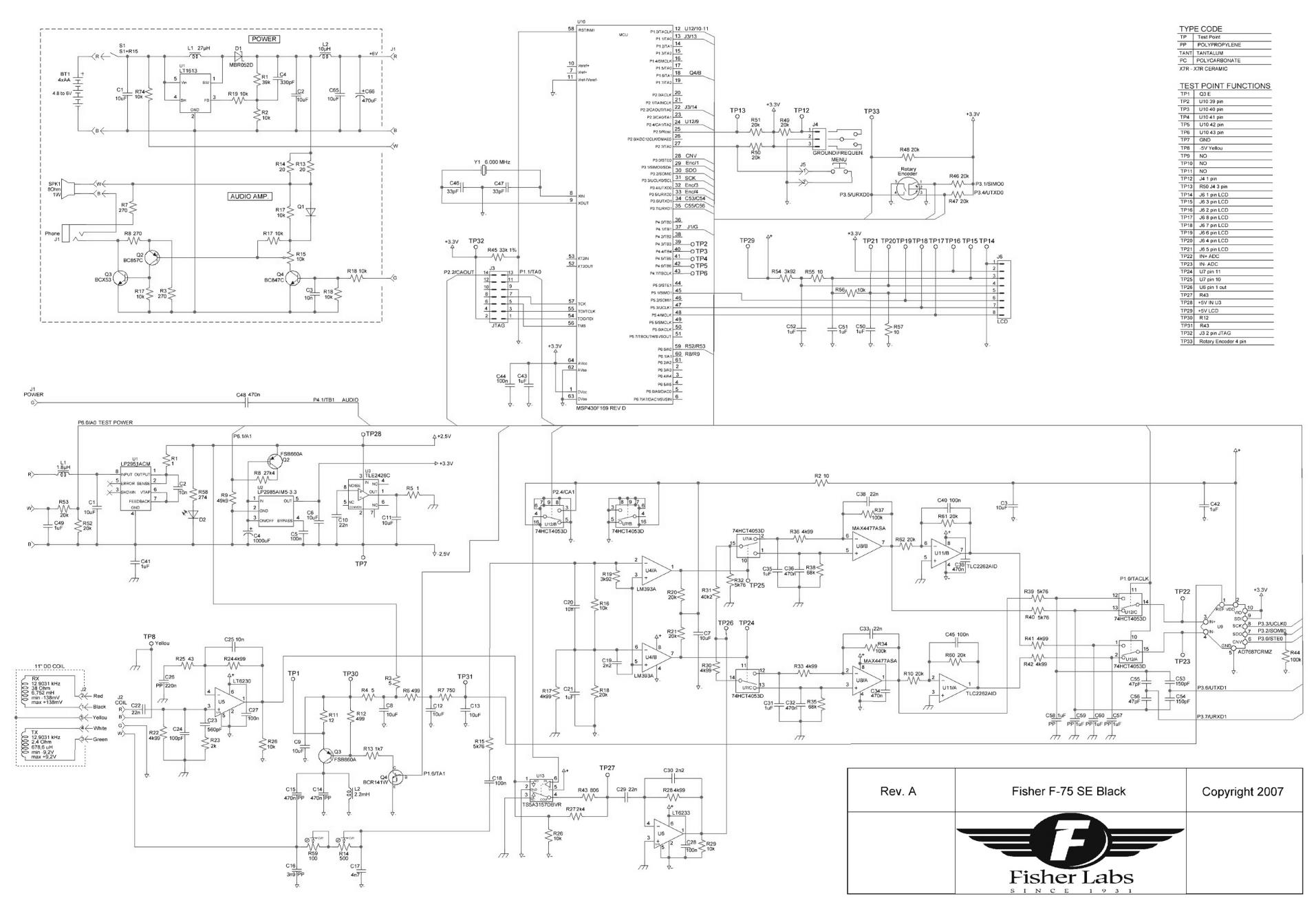
Схема металошукача Fisher F75:
NB! В схемі виявлено помилки !!!
PS. В доданому архіві друкована плата металошукача Fisher F75 у форматі Sprint Layout 5.
Fisher F75
- radioman
- Site Admin
- Повідомлень: 136
- З нами з: 28 вересня 2020, 12:01
- Звідки: Тернопіль
- Дякував (ла): 8 разів
- Подякували: 6 разів
- Контактна інформація:
Re: Fisher F75
Змоделював у LTspice XVII роботу передаючої частини IB металошукача Fisher F75. Амплітудно-частотна і фазово-частотна характеристики відповідають схемі:
На схемі амплітуда на 11 дюймовій DD-котушцікатушці позначена 18.4 В p-p, а у моделі отримано 14.5 В p-p; сила струму - 130 мА (260 мА p-p):
PS. У приєднаному архіві моделі в LTspice XVII частотних та фазових арактеристик; сили струму у Тх.
- radioman
- Site Admin
- Повідомлень: 136
- З нами з: 28 вересня 2020, 12:01
- Звідки: Тернопіль
- Дякував (ла): 8 разів
- Подякували: 6 разів
- Контактна інформація:
Re: Fisher F75
"Не вір написаному" (с)
Для іншого проекту вирішив використати схему підсилювача низьких частот металошукача Fisher F75, і знайшов в ній помилки
Резистор R3 підключений до "мінуса", а повинен - до "плюса"; вихідний транзистор повинен бути BCX55 (?), а не BCX53 (pnp), також замість діода Q1 (навіть позначення говорить про це) повинен бути транзистор в діодному включенні. Ось правильний варіант , взятий зі схеми металошукача Fisher F75 SE Black: PS. В доданому архіві модель підсилювача низьких частот металошукача Fisher F75 в NI Multisim 14.0
Для іншого проекту вирішив використати схему підсилювача низьких частот металошукача Fisher F75, і знайшов в ній помилки

Резистор R3 підключений до "мінуса", а повинен - до "плюса"; вихідний транзистор повинен бути BCX55 (?), а не BCX53 (pnp), також замість діода Q1 (навіть позначення говорить про це) повинен бути транзистор в діодному включенні. Ось правильний варіант , взятий зі схеми металошукача Fisher F75 SE Black: PS. В доданому архіві модель підсилювача низьких частот металошукача Fisher F75 в NI Multisim 14.0
Хто зараз онлайн
Зараз переглядають цей форум: Немає зареєстрованих користувачів і 0 гостей