VDI - Visual Digital Index

Теоретичні основи металодетекції
Відповісти
Аватар користувача
radioman
Site Admin
Повідомлень: 136
З нами з: 28 вересня 2020, 12:01
Звідки: Тернопіль
Дякував (ла): 8 разів
Подякували: 6 разів
Контактна інформація:

VDI - Visual Digital Index

Повідомлення radioman »

VDI (Visual Digital Index) - це візуалізація векторної величини сигналу з виходів двох квадратурних (Х та Y(у деякій літературі R)) каналів IB металодетектора та відповідає фазовому зсуву у градусах, пов’язаному з комплексною магнітною проникністю. Вимірюється у «папугах».
Для наших завдань достатньо наближеного обчислення кута фазового зсуву («фази цілі» )за формулою, котру використовував Джордж Пейн: 90*X / (X + Y).
У зв’язку з тим, що фазовий зсув залежить не тільки від типу цілі, частоти зовнішнього електромагнітного поля, а і її розмірів (висота і площа, що пояснює різний відгук монети «плазом» і на «ребрі») більш коректним буде аналогічне до VDI поняття Target ID (ідентифікатор цілі).

За реакцією на вплив зовнішнього магнітного поля (у нашому випадку, змінного) цілі можна поділити на такі групи:
Феромагнетики - сильно втягуються в область сильнішого магнітного поля. Магнітна сприйнятливість феромагнетиків позитивна і значно більше одиниці.
Такі властивості мають «чорні» метали (залізо, нікель, кобальт, гадоліній, манган, хром та їхні сплави) з великою магнітною проникністю,
Діамагне́́тики — речовини з від'ємною магнітною сприйнятливістю; у зовнішньому магнітному полі намагнічуються в напрямку протилежному напрямку цього поля. Тобто, це явище виникнення у речовині (діамагнетику) намагніченості, направленої назустріч зовнішньому (намагнічувальному) полю. Магнітна проникність діамагнетиків менше одиниці, а магнітна сприйнятливість негативна. Природа діамагнетизму полягає в тому, що при внесенні діамагнетика в магнітне поле у його об'ємі індукуються вихрові мікроструми, які згідно з правилом Ленца, створюють власне магнітне поле, спрямоване назустріч зовнішньому полю. Проявом діамагнетизму є послаблення магнітного поля при внесенні в нього діамагнітної речовини.
Діамагнетиками є деякі «кольорові» метали: мідь, ртуть, вісмут, цинк, золото, срібло.
Парамагне́тики - речовини з невеликою позитивною магнітною сприйнятливістю, які у зовнішньому магнітному полі намагнічуються вздовж поля і дещо підсилюють його. Магнітна сприйнятливість парамагнетиків завжди додатня і незначно більше нуля, але менше одиниці. До парамагнетиків належить алюміній, платина.
Отже, у парамагнетиків та дiамагнетикiв магнітна сприйнятність є малою, до того ж у дiамагнетикiв вiд'ємною, у феромагнетикiв може бути великою.


Ось приклад фазового зсуву деяких металів, поданий у патенті США US4486713 (не забуваємо, що величина фазового зсуву залежить від частоти):
Патент US4486713
Патент US4486713
Отже, VDI цілі (Target ID) відповідає куту магнітних втрат і розраховується за формулою:
Кут магнітних втрат = arctg мю’’/мю’ де
мю’ – реактивна складова (дійсна складова магнітної проникності – cos, У (R))
мю’’ – активна складова (уявна складова магнітної проникності – sin, Х)

Відповідно:
Кут магнітних втрат = arctg мю’’/мю’= arctg sin/ cos = arctg X/Y, або наближено:
90*X / (X + Y) з максимальною похибкию в 4 градуси і мінімальною при 0, 45 і 90 градусів.

PS. У зв'язку із патентним захистом, виробники використовують різні «папуги» для визначення цілей. Так, в ACE 250 сектор цілей поділений на 12 позицій; можливе використання значення VDI як від 0 до 100, так і від -50 до +50 – все залежить від фантазії виробника. Але в основі всіх варіантів є наближена (арктангенс рахувати не варто) формула K* X / (X + Y), де вибір К залежить лише від автора.
PPS. Більш детально і научно про комплексну магнітну проникність:
магнітна проникність.7z
(329.93 Кіб) Завантажено 1294 разів
pawa
Повідомлень: 75
З нами з: 28 вересня 2020, 20:26
Дякував (ла): 1 раз
Подякували: 5 разів
Контактна інформація:

Re: VDI - Visual Digital Index

Повідомлення pawa »

На значення VDI для цілей, особливо з низькою провідністю, що лежать в грунті на значній глибині, сильно впливає мініралізація грунту ("очорнення цiлi"). Даний вплив залежить від частоти і сили електромагнітного поля випромінюваного котушкою Тх. Для боротьби з даними негативним ефектом застосовують кілька випромінюваних частот, що дозволяє більш точно ідентифікувати VDI цiлi.
Востаннє редагувалось 14 жовтня 2020, 21:05 користувачем pawa, всього редагувалось 1 раз.
Аватар користувача
radioman
Site Admin
Повідомлень: 136
З нами з: 28 вересня 2020, 12:01
Звідки: Тернопіль
Дякував (ла): 8 разів
Подякували: 6 разів
Контактна інформація:

Re: VDI - Visual Digital Index

Повідомлення radioman »

Це відбувається тому, що результуючий сигнал є сумою двох (для спрощення) цілей - грунту (є одночасно і ціллю і середовищем) та власне цілі. Наприклад, при однаковій амплітуді сигналу від грунту та цілі, фаза "кольорової" цілі буде "далеко чорною":
Сумарна фаза
Сумарна фаза
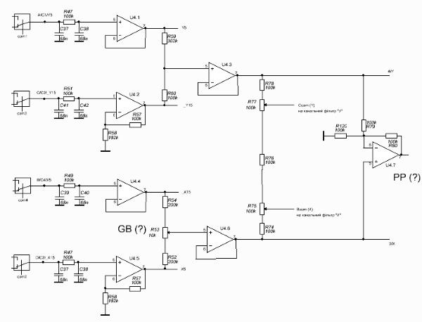
Двохчастотний метод дає змогу провести векторне віднімання грунту по обох каналах і отримати "чисту" фазу цілі. Такий принцип використовується у апараті фірми Fisher CZ5. Протифазні сигнали частотою 5 кГц та 15 кГц сумуються поканально, що дає змогу отримати квадратурний сигнал без грунту:
GB Fisher CZ5
GB Fisher CZ5
У зв'язку із тим що VDI цілі залежить від частоти, використовують нормалізацію VDI (VDI Normalization), тобто значення VDI цілі на частоті роботи приладу перераховується на VDI при частоті 10 кГц, або найбільш звичній для даного виробника.
Відповісти

Хто зараз онлайн

Зараз переглядають цей форум: Немає зареєстрованих користувачів і 0 гостей