XP DEUS
Додано: 12 березня 2021, 14:49
Металошукач XP DEUS побудований на ринципі VLF Induction Balance (індукційний баланс), цифровий - пряме опрацювання.
Робоча частота (на вибір): 4, 8, 12 і 18 кГц з можливістю незначної зміни біля "центральної"
Налаштування дискримінації від 0 до 99 з можливістю вирізання секторів
Налаштування чутливості від 0 до 99
Налаштування гучності відгуку
4 варіанти балансу грунту: ручний, напівавтоматичний, автоматичний, пляж
Декілька варіантів озвучення: 2,3,4 тони або поліфонія (pitch)
Регулювання струму в котушці
9 програм пошуку:
* BASIC 1 – загальні умови, 12 кгц
* GM HJWER – підвищена швидкість відгуку, 18 кГц
* DEUS FAST – швидка реакція
* PITCH – змінна висота тону
* G-MAXX – пошук великих об’єктів та монет
* RELIC – повільний пошук великих об’єктів на великій глибині
* WET BEACH – мокрий пісок
* ALL METALL – динамічний «всі метали»
* BASIC 2 – для початківців
Приймальна котушка металошукача XP DEUS має 155 витків 0.18 AWG, за різними даними її індуктивність становить 15.7мГн - 16.3мГн, активний опір 61.0 Ом - 65.8 Ом, власна резонансна частота 83 - 85 кГц (міжвиткова ємність біля 220пф).
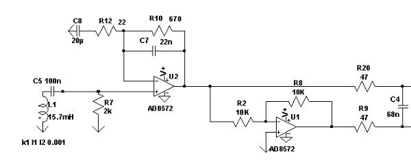
Вхідний підсилювач на ADA4841-2 (GBW=90MHz SR=12V/uS) широкосмуговий із фільтром НЧ на 50кГц: Низький коефіцієнт підсилення вхідного каскаду компенсується диференціальним включенням 18-розрядного АЦП AD7691 (18-Bit, 1.5 LSB INL, 250 kSPS). Схемотехнічне рішення інвертора фази вхідного сигналу не є оптимальним, так як не забезпечує точної різниці фаз у 180 градусів; вірогідно, це викликано комерційною доцільністю.
Передаюча котушка металошукача XP DEUS має 129 витків 0,31 AWG, за різними даними її індуктивність становить 9.04 - 10.2мГн , активний опір 19.8 - 22.8 Ом, власна резонансна частота 92 - 98 кГц (міжвиткова ємність біля 270пф).
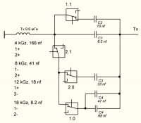
Враховуючи низьку напругу живлення вихідного каскаду, контур Тх побудований за принципом послідовного резонансу; для переключення конденсаторів використано два реле Axicom IM41: Враховуючи структуру реле, попробував намалювати схему передаючої частини металошукача XP DEUS: Якщо включено обидва реле - робоча частота 4 кГц, коли включено лише друге реле - 8 кГц, перше - 12 кГц, виключені обидва - 18 кГц.
PS. У новій модифікації металошукача Deus x35 передаюча частина виконана без реле, вірогідно використано "міст"; відрізняються і намоточні дані котушки - передаюча намотана літцендратом 9х0.55.
Робоча частота (на вибір): 4, 8, 12 і 18 кГц з можливістю незначної зміни біля "центральної"
Налаштування дискримінації від 0 до 99 з можливістю вирізання секторів
Налаштування чутливості від 0 до 99
Налаштування гучності відгуку
4 варіанти балансу грунту: ручний, напівавтоматичний, автоматичний, пляж
Декілька варіантів озвучення: 2,3,4 тони або поліфонія (pitch)
Регулювання струму в котушці
9 програм пошуку:
* BASIC 1 – загальні умови, 12 кгц
* GM HJWER – підвищена швидкість відгуку, 18 кГц
* DEUS FAST – швидка реакція
* PITCH – змінна висота тону
* G-MAXX – пошук великих об’єктів та монет
* RELIC – повільний пошук великих об’єктів на великій глибині
* WET BEACH – мокрий пісок
* ALL METALL – динамічний «всі метали»
* BASIC 2 – для початківців
Приймальна котушка металошукача XP DEUS має 155 витків 0.18 AWG, за різними даними її індуктивність становить 15.7мГн - 16.3мГн, активний опір 61.0 Ом - 65.8 Ом, власна резонансна частота 83 - 85 кГц (міжвиткова ємність біля 220пф).
Вхідний підсилювач на ADA4841-2 (GBW=90MHz SR=12V/uS) широкосмуговий із фільтром НЧ на 50кГц: Низький коефіцієнт підсилення вхідного каскаду компенсується диференціальним включенням 18-розрядного АЦП AD7691 (18-Bit, 1.5 LSB INL, 250 kSPS). Схемотехнічне рішення інвертора фази вхідного сигналу не є оптимальним, так як не забезпечує точної різниці фаз у 180 градусів; вірогідно, це викликано комерційною доцільністю.
Передаюча котушка металошукача XP DEUS має 129 витків 0,31 AWG, за різними даними її індуктивність становить 9.04 - 10.2мГн , активний опір 19.8 - 22.8 Ом, власна резонансна частота 92 - 98 кГц (міжвиткова ємність біля 270пф).
Враховуючи низьку напругу живлення вихідного каскаду, контур Тх побудований за принципом послідовного резонансу; для переключення конденсаторів використано два реле Axicom IM41: Враховуючи структуру реле, попробував намалювати схему передаючої частини металошукача XP DEUS: Якщо включено обидва реле - робоча частота 4 кГц, коли включено лише друге реле - 8 кГц, перше - 12 кГц, виключені обидва - 18 кГц.
PS. У новій модифікації металошукача Deus x35 передаюча частина виконана без реле, вірогідно використано "міст"; відрізняються і намоточні дані котушки - передаюча намотана літцендратом 9х0.55.