Tesoro Cibola / Vaquero

Практичні конструкції металодетекторів, що побудовані за принципом індуктивного балансу (IB).
Відповісти
Аватар користувача
radioman
Site Admin
Повідомлень: 136
З нами з: 28 вересня 2020, 12:01
Звідки: Тернопіль
Дякував (ла): 8 разів
Подякували: 6 разів
Контактна інформація:

Tesoro Cibola / Vaquero

Повідомлення radioman »

IB металошукач Tesoro Cibola / Vaquero
Для прихильників аналогових приладів викладаю матеріал по Tesoro Cibola та Tesoro Vaquero. Ці металошукачі схемотехнічно, практично, однакові. Різниця лише в тому, що у Сіболи баланс грунту встановлювався підстроєчним резистором на заводі, а у Vaquero є можливість змінювати його в процасі пошуку.

Тип схеми металодетектора: VLF
Робоча частота 14.5 кГц (для зменшення перешкод при одночасній роботі декількох приладів можна вибрати одну з частот 14.3 14.5 14.7 кГц).
Дискримінатор: ED120
Налаштування чутливості (в "повітрі" приблизно 35 см на 5 коп. СРСР із штатною котушкою).
Ручне балансування грунту (у Vaquero).
Пінпойнт
Хоча у металошукачі використовується МК, але він там лише для переключення режимів роботи та формування звуку.
Коаксильна котушка 9 х 8 дюймів. Орієнтовні дані котушки:
- передаюча = 0.920мГ, опір = 4.6 Ом
- приймаюча = 15.1мГ, опір = 64 Ом.
Котушка 9 х 8" для Tesoro Cibola, Vaquero, Tejon
Котушка 9 х 8" для Tesoro Cibola, Vaquero, Tejon
При самостійному виготовленні катушки можна керуватися наступними даними:
Тх – 39 витків D=0.42
Rx - 160 витків D=0.24
Для правильної роботи потрібно отримати індуктивність та опір наближені до оригінальної котушки; при відсутності приладів, можна використати генератор металошукача: при підключенні до нього передаючої котушки повинна бути частота 14.5 кГц, приймальної - приблизно 3.52 кГц.


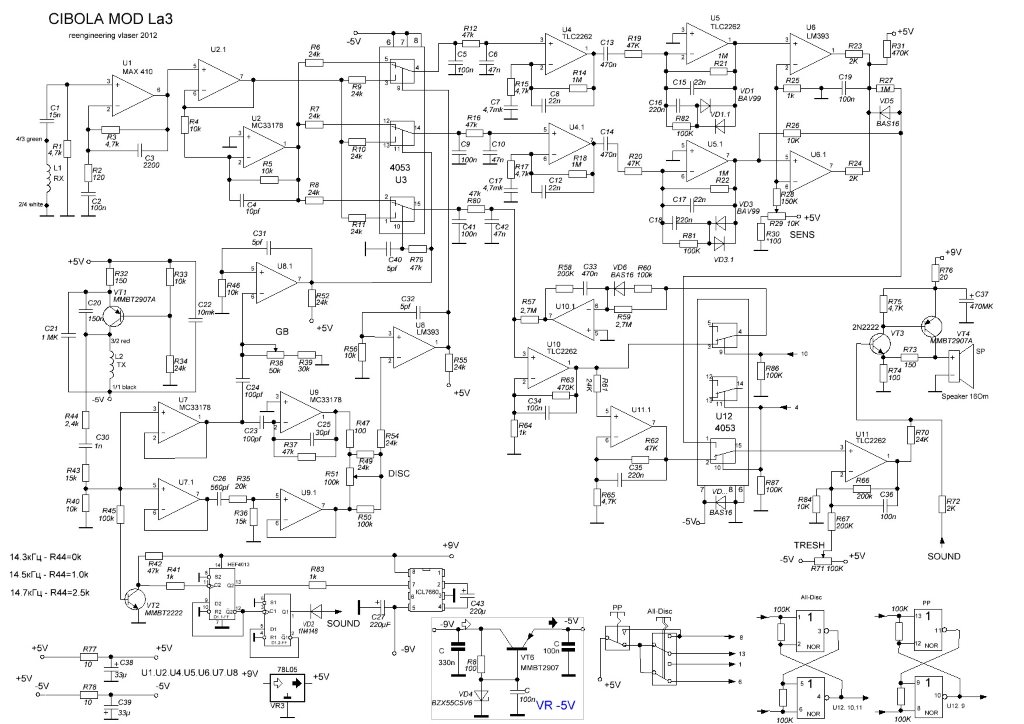
Схема металошукача Tesoro Cibola / Vaquero:
Схема металошукача Tesoro Cibola / Vaquero
Схема металошукача Tesoro Cibola / Vaquero

PS. В доданому архіві схема металошукача Tesoro Cibola / Vaquero, варіанти друкованої плати (без використання МК).
Вкладення
_cibola_21.7z
Схема металошукача Tesoro Cibola / Vaquero; друковані плати
(503.88 Кіб) Завантажено 1012 разів
Відповісти

Хто зараз онлайн

Зараз переглядають цей форум: Немає зареєстрованих користувачів і 0 гостей